錐形鎖風閥

一、 概述
錐形鎖風閥廣泛用于建材、礦山、煤炭、冶金、熱電等行業。用于物料輸送的自動調節及控制,防止野風進入,確保系統輸送的暢通。
二、 工作原理及結構特征
錐形鎖風閥靠重錘的重力使圓錐閥瓣緊貼閥門口,當物料達到一定重量時,物料的壓力使閥瓣下料卸出。重錘使圓錐閥瓣再次復位。錐形鎖風閥只能立式安裝,鎖風閥的上部位應保持一定的料柱。
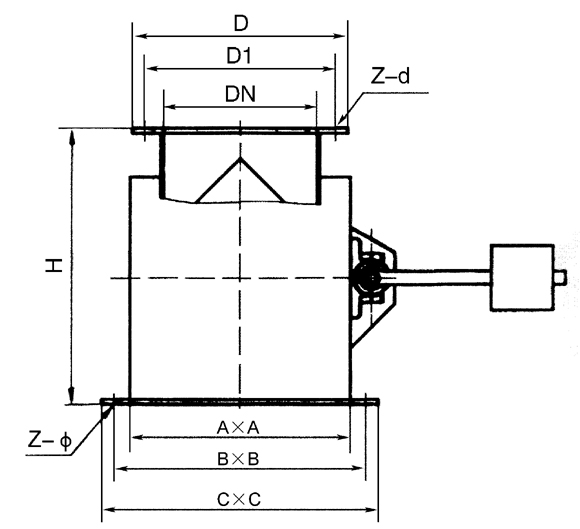
三、 外形及安裝尺寸

|
DN |
D |
D1 |
H |
A×A |
B×B |
C×C |
Z-d |
Z-Φ |
|
200 |
300 |
260 |
400 |
300×300 |
360×360 |
400×400 |
12-Φ14 |
16-Φ14 |
|
250 |
350 |
310 |
450 |
350×350 |
410×410 |
450×450 |
12-Φ14 |
16-Φ14 |
|
300 |
400 |
365 |
500 |
400×400 |
460×460 |
500×500 |
12-Φ14 |
16-Φ14 |
|
350 |
450 |
415 |
550 |
450×450 |
510×510 |
450×450 |
12-Φ14 |
16-Φ14 |
|
400 |
500 |
465 |
600 |
500×500 |
560×560 |
500×500 |
12-Φ14 |
16-Φ14 |
|
500 |
600 |
565 |
700 |
600×600 |
665×665 |
610×610 |
12-Φ14 |
16-Φ14 |
四、 安裝使用及維護
1、 錐形鎖風閥在使用前必須調整,尋找重錘在杠桿上的合理位置。
2、 錐形鎖風閥上部應保持一定的料柱,使之密閉防止漏風。
3、 錐形鎖風閥必須直立安裝,以保持閥門平衡裝置的正常工作。


