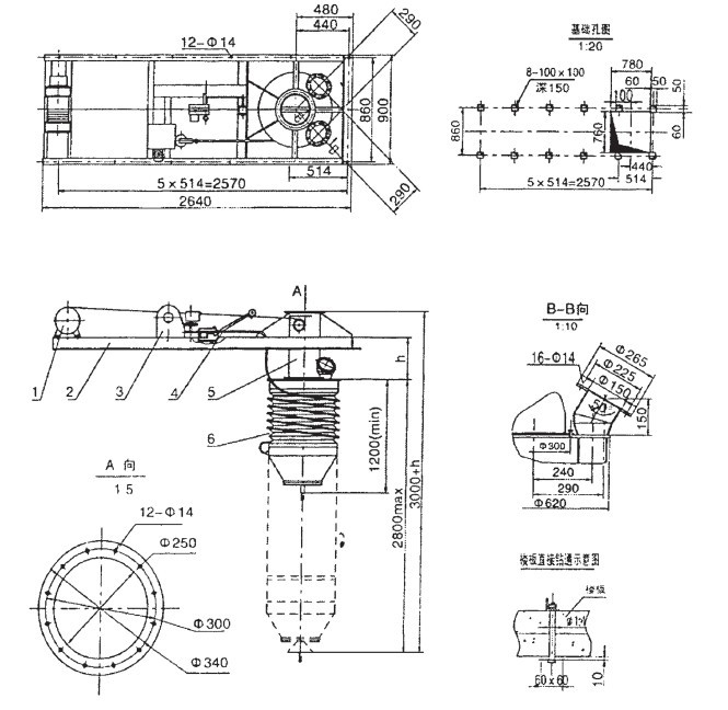
ZSQ300/600散裝機
|
裝載頭 |
卷揚機 |
料位儀 |
風機 |
|||||||
|
伸縮距離 |
伸縮速度 |
起升速度 |
功率 |
電壓 |
動作壓力 |
額定電壓 |
額定電流 |
適用介質 |
電壓 |
電機 |
|
1600mm |
8m/min |
8m/min |
1.1KW |
380V |
2500-5000Pa |
220V/380V |
3A |
清潔空氣 |
220V |
350W |

下一頁:HSQ300火車散裝示意圖
您可能會對以下產品感興趣
產品好不好 用我們的業績證明
奧普核心合作伙伴
企業規模怎么樣 用我們的資質說明
生產能力怎么樣 用我們的設備和團隊表明
最新動態
- 熟料散裝機的這些知識要點,你一定要看!
- 生料均化庫在運行中需要定期檢查哪些項目,不看后悔!
- 影響生料均化庫均化效果的常見因素,看完就明白了!
- 第一次安裝熟料散裝機,我們也是驚呆了!!
- 圓盤給料機的安裝要求,看明白了嗎?
- 日常對堆取料機的巡檢工作很重要,不要忽略哦!
- 別說我沒告訴你!用了奧普品牌設備——氣動開關閥,效果居然。。
- 用了奧普機械的散裝機,意想不到的效果出現了....
- 提醒!不要忽略常見的空氣輸送斜槽故障原因,千萬記住!
- 快速了解熟料散裝機的結構原理,為您生產打好基礎!
- 熟料散裝機的這些知識要點,你一定要看!
- 第一次安裝熟料散裝機,我們也是驚呆了!!
- 用了奧普機械的散裝機,意想不到的效果出現了....
- 快速了解熟料散裝機的結構原理,為您生產打好基礎!
- 對熟料散裝機進行常規檢查可延長機器的使用壽命哦
- 散裝機CE認證證書
- 旋轉移動散裝機
- 散裝機
- 檢查熟料散裝機的標準是什么
- 汽車散裝機的幾點注意事項


